Herramientas Multi V rentables, troqueles inferiores para prensas plegadoras Multi V de suministro directo de fábrica.
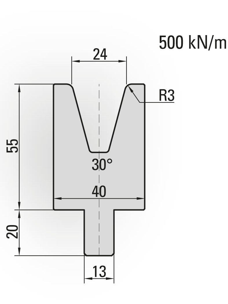
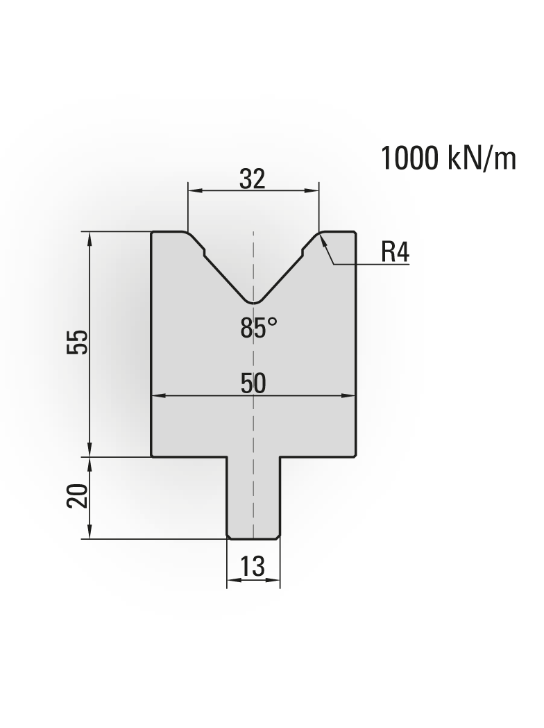
La matriz inferior multi-V para máquinas dobladoras es un molde de doblado CNC de uso común para el procesamiento de chapa metálica. Su característica principal es que la superficie de la matriz inferior presenta múltiples ranuras en forma de V de diferentes anchos (como V32, V50, V100, etc.), lo que permite adaptarse a diversos espesores de chapa y requisitos de ángulo de doblado, mejorando así la flexibilidad y la eficiencia del proceso.Este tipo de molde suele estar fabricado con acero aleado de alta resistencia (42CrMo) y, tras un tratamiento térmico de temple a alta temperatura, alcanza una dureza de HRC47 ± 2 °, lo que garantiza resistencia al desgaste y estabilidad estructural. Los moldes inferiores Multi V suelen tener una estructura cuadrada con ranuras en sus cuatro lados, lo que permite realizar operaciones de doblado continuo en múltiples ángulos y tamaños. Se utilizan ampliamente en industrias como la fabricación de chapa metálica, chasis y armarios, y el procesamiento de tuberías.
LEER MÁS