Puede contactarnos de la forma que le resulte más cómoda. Estamos disponibles 24/7 por fax, correo electrónico o teléfono. Agradecemos su cooperación y trabajaremos juntos para mejorar.
Puede contactarnos de la forma que le resulte más cómoda. Estamos disponibles 24/7 por fax, correo electrónico o teléfono. Agradecemos su cooperación y trabajaremos juntos para mejorar.
El tamaño del punzón es 134*26*835 mm, 30 grados, hoja afilada estándar. El peso es 13,2 kg/pieza y podemos hacer 35 grados, 45 grados u otros grados según su solicitud.
Tamaño del punzón de cuello de cisne: 115 x 45 x 835 mm, ángulo de 85°. El material es 42CrMo4, la dureza es HRC47±3, la altura es de 130 mm y el peso es de 12,8 kg. Se puede fabricar según los requisitos del cliente.
Tamaño del punzón de cuello de cisne: 160 x 56 x 835 mm, ángulo de 85°. El material es 42CrMo4, la dureza es HRC47±3, la altura es de 130 mm y el peso es de 22,4 kg. Se puede fabricar según los requisitos del cliente.
Las matrices rolla-v de la prensa plegadora no rayan, es mejor poner la película sobre la superficie de la pieza de trabajo cuando se dobla. Y le recomendaremos el tamaño de matriz roll-v adecuado para usted de acuerdo con la placa que doble.
La herramienta de bisagra es una herramienta especializada que se utiliza para producir bisagras (bisagras), y su función principal es lograr una fabricación eficiente y estandarizada de bisagras a través de procesos de moldeo de precisión.
Las herramientas de plegado de alta resistencia pueden doblar placas de metal muy gruesas y de alta resistencia.¡Bienvenido a explorar nuestras herramientas de prensa plegadora de calidad y contáctenos para obtener un servicio profesional!
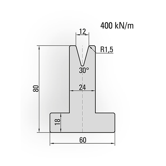
Tamaño de la matriz de TV: 80*60*835 mm, V12, 30 grados. El material es 42CrMo4, dureza HRC52-58. 88°, 85°, 80°, 60°, 45°, 35°, 30°, 26° y V6, V8, V10, V16, V20, V25 (se puede personalizar según las necesidades del cliente)
Moldes de prensa plegadora hidráulica con matrices estándar 2V, V8-V12 para doblar placas de 1-1,5 mm, tamaño de la matriz: 26*55*835 mm, 88 grados, el peso es de 9 kg. El material es 42CrMo4, la dureza es HRC47 +/- 3. Para el ángulo, podemos hacerlo de acuerdo con su solicitud de doblado.Paquete: Madera contrachapada múltiple
El tamaño de la matriz es 90*90*835 mm, 85 grados, el material es 42CrMo4, el peso es 36,2 kg.¡Bienvenido a explorar nuestras herramientas de prensa plegadora de calidad y contáctenos para obtener un servicio profesional!
Puede contactarnos de la forma que le resulte más cómoda. Estamos disponibles 24/7 por fax, correo electrónico o teléfono. Agradecemos su cooperación y trabajaremos juntos para mejorar.