Puede contactarnos de la forma que le resulte más cómoda. Estamos disponibles 24/7 por fax, correo electrónico o teléfono. Agradecemos su cooperación y trabajaremos juntos para mejorar.
Puede contactarnos de la forma que le resulte más cómoda. Estamos disponibles 24/7 por fax, correo electrónico o teléfono. Agradecemos su cooperación y trabajaremos juntos para mejorar.
Dimensiones de la hoja recta: 130*26*835 mm, 85 grados. El material es 42CrMo4, la dureza es HRC52-58, el peso es de 10,5 kg.Puede segmentarse según las necesidades del cliente, teniendo en cuenta el oído izquierdo y el derecho.
Dimensiones del punzón de cuello de cisne: 120 x 56 x 835 mm, 85 grados. El material es 42CrMo4, con una dureza de HRC47+/-3 y una altura de 120 mm. Su peso es de 21 kg. Se puede fabricar según las especificaciones del cliente.
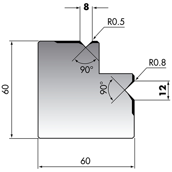
Las máquinas V8 y V12 doblan chapa metálica de 1-1,5 mm de espesor. El tamaño de la matriz cuadrada es de 60*60*835 mm, V8-V12, a 90 grados. El peso es de 21 kg. El material es 42CrMo4, con una dureza de HRC47+/-3.
Tamaño del chip de TV: 80*60*835 mm, V12, 30 grados. El material es 42CrMo4, dureza HRC52-58. 88°, 85°, 80°, 60°, 45°, 35°, 30°, 26° y V6, V8, V10, V16, V20, V25 (se puede personalizar según las necesidades del cliente).
Puede contactarnos de la forma que le resulte más cómoda. Estamos disponibles 24/7 por fax, correo electrónico o teléfono. Agradecemos su cooperación y trabajaremos juntos para mejorar.